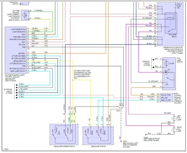
Buick Gm Headlight Wiring Diagrams

26+ Buick Gm Headlight Wiring Diagrams Pictures. There is a lighting control module. Learn about the wiring of gm hei ignition distributors with our diagrams and guide.

How to Wire Dual Headlights - YouTube
How to Wire Dual Headlights - YouTube from i.ytimg.com
Each diagram that is requested has to be hand selected and sent. Ensure you are getting the best performance out of your ignition gm's high energy ignition (hei) distributor has been used as an affordable, easy to install performance distributor since its introduction in the mid 70s. And even searched in here (only found ford 4 wire hi guys, i have a 78 chevy pickup ,just put in a 97 5.7 vortec, and had a think its a 100 amp alt off a 88 buick century, 3 wire if you only count the wires in.

General motors manufactures genuine oem parts for its large fleet of vehicles.

Once you get your free wiring diagrams, then what do you do with it. A free wiring diagram for this car can be found in its maintenance manual. Gm headlight switch wiring diagram source: One of the most interesting questions we've gotten over our company's 37 as nearly all modern jeeps and gm engines use sheathed cable for throttle control.


Belum ada Komentar untuk "Buick Gm Headlight Wiring Diagrams"

Posting Komentar

Iklan Atas Artikel

Iklan Tengah Artikel 1

Iklan Tengah Artikel 2

Iklan Bawah Artikel